浙江正硕端头有限公司
专业冷压端子制造商
首页
关于我们
产品中心
预绝缘端子
预绝缘端头(尼龙)
裸端头
预绝缘接头
预绝缘接头(尼龙)
中间接头
欧式端子
铜管端子
连接器
绝缘软套管
新闻中心
联系我们
首页
>
产品中心
>
中间接头
>
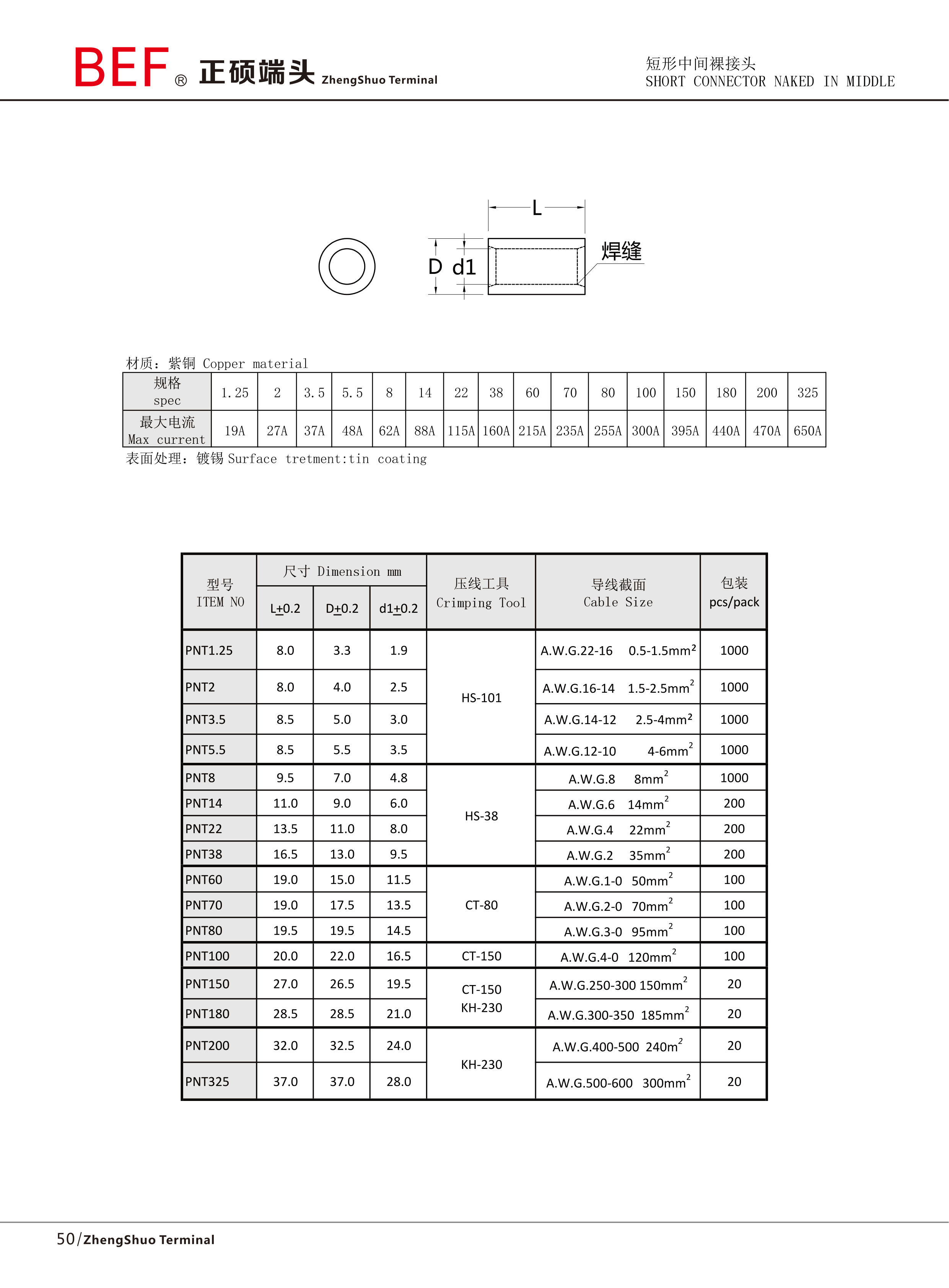
PNT短形中间裸接头(PNT型)
PNT短形中间裸接头(PNT型)
技术参数
联系我们
联系我们
📱
手机号码
15958789818
📞
固定电话
0577-62967981
📍
公司地址
浙江省温州市乐清市经济开发区
扫码添加微信